WM08Z170-00710-01300-CN0000-60
Can't find what you're looking for? Go to the Product Selector
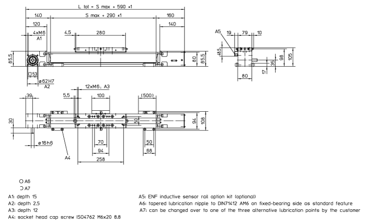
直線運動單元, WM80Z, 皮帶 Drive, 滾珠 Guide, 0.05 毫米 Repeatability, 710 毫米 Stroke, 1300 毫米 Overall Length, 單個標準滑塊, 170 毫米 Travel Per Shaft Rev, Shaft On Left Side With Keyway, 2507.5 Maximum Linear Speed
- 取代
- 中央潤滑所有需潤滑零件
